TOP
PRODUCTS
Home > Products
Product Description
The μs-series 1×4 solid-state fiber optical switch connects optical channels by redirecting an incoming optical signal into a selected output optical fiber. The switching of the optical light is realized by utilizing Faraday Effect.
This is achieved using a patent protected non-mechanical configuration with solid-state all-crystal design which eliminates the need for mechanical movement. The μs-series fiber optic switch is designed to meet the most demanding switching requirements of reliability, durability, response, and continuous high frequency switching operation.
Specifications
Item | Unit | Parameters | Notes |
Bidirectional | |||
Wavelength Range | nm | 1525 ~ 1565 | |
Insertion Loss | dB | 1.2 (Typ.); 1.8 (Max.) | |
PDL | dB | 0.2 (Typ.); 0.3(Max.) | |
Return Loss | dB | ≥50(Typ.55) | |
Crosstalk | dB | ≥40(Typ.50) | |
ER | dB | ≥18(Typ.20, Max 25) | |
PMD | ps | 0.2 | |
Repeatability | dB | +/- 0.01 | |
Durability | cycles | > 30 Billions | |
Switching Speed | μs | 200 ~ 400 | |
Switch Type | Latching | ||
Operating Temperature | °C | -5 ~ 70 | |
Storage Temperature | °C | -40 ~ 85 | |
Maximum Optical Power | mW | 500 | |
Dimension( L×W×H ) | mm | 41X21X7.5 |
*. All the specifications are based on the devices without connector, and guaranteed over wavelength, polarization and temperature.
**. Specifications are subject to change without notice.
Electrical Specifications
Parameter | Specification | Unit |
Switching Speed | 200~400 | μs |
Switching Voltage(VCC) | 2.5 (+/-5%) | V |
Switching Current | < 200 | mA |
Pulse Width(typical) | 0.3 | ms |
Claim Frequency | 2000 | Hz |
Each switching point is actuated by applying a voltage pulse. Applying one polarity pulse, one light path will be connected and latched to the position. Applying a reversed polarity pulse, another light path will be connected and latched to the position after pulse removed.
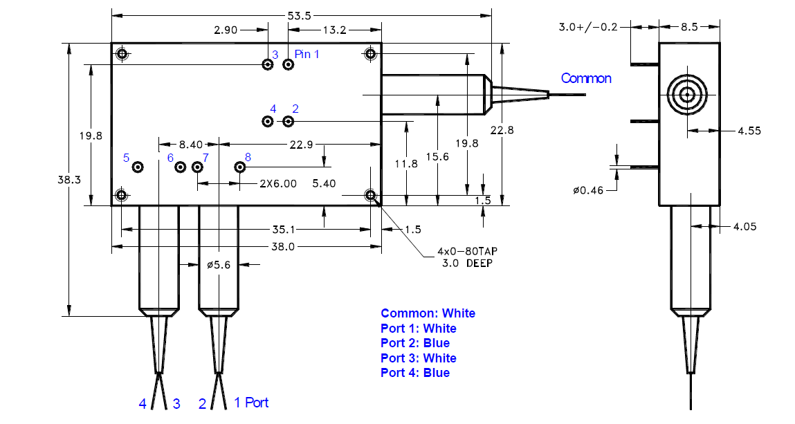
Mechanical Dimensions (mm)

Bidirectional series 1X4 or 4X1 Pin Definition
Pin No. | pin1 | pin2 | pin3 | pin4 | pin5 | pin6 | pin7 | pin8 |
INßàOUT1 | + | - | + | - | - | + | + | - |
INßàOUT2 | - | + | - | + | - | + | + | - |
INßàOUT3 | + | - | - | + | + | - | - | + |
INßàOUT4 | - | + | + | - | + | - | - | + |
“+”: 2.25~2.75 V pulse, “-”: Ground.
Ordering Information: SSW-1XN-A-B-C-D-E
N | A | B | C | D | E |
Chanel | Mode | Wavelength | Fiber Diameter | Fiber Length | Connector |
4
| SM:9/125um PM:PM fiber | 13: 1310nm 15: 1550nm
| 25:250um 90:0.9mm
| 05:0.5m 10:1.0m 15:1.5m | OO:None FP: FC/PC FA: FC/APC SP: SC/PC SA: SC/APC LP: LC/PC LA: LC/APC |