TOP
PRODUCTS
Home > Products
Product Description
The 1x4 Nanosecond optical switch is connected to the optical path by connecting or blocking the optical signal. the switch has non-mechanical configurations and activated via an electrical control signal. Products are widely used in aerospace and military equipment..
Features
Metropolitan Area Network
R&D in Laboratory
System Monitoring
Configurable OADM
Applications
Low Insertion Loss
Wide Wavelength Range
High Crosstalk
High Reliability
Epoxy-free on Optical Path
Functional Diagram

*.All the specifications are based on the devices without connectors, and guaranteed over the operating temperature ranges, wavelength ranges and all polarization states.
**. Specifications are subject to change without notice
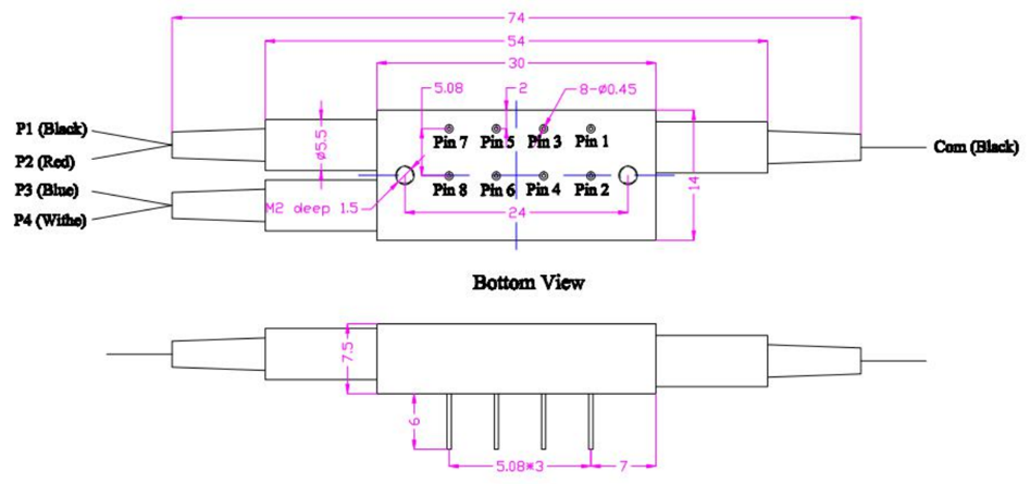
Mechanical Dimensions (Unit: mm)

Electrical Driving Information
Type | Status | Optical Route | Electric Drive | |||||||
Pin1 | Pin2 | Pin3 | Pin4 | Pin5 | Pin6 | Pin7 | Pin8 | |||
N1x4 |
| Com-P1 | 0 | 0 | 0 | GND | 0 | 0 | V+ | V+ |
| Com-P2 | V+ | V+ | V+ | GND | 0 | 0 | V+ | V+ | |
III | Com-P3 | 0 | V+ | V+ | GND | V+ | V+ | 0 | 0 | |
IV | Com-P4 | V+ | 0 | 0 | GND | V+ | V+ | 0 | 0 | |
Note: Voltage range is 300-350V,
Ordering Information:NSSW-N1*4ABCDEF
A | B | C | D | E | F |
Type | Mode | Wavelength | Fiber Diameter | Fiber Length | Connector |
B: Bidirectional | SM:SMF28 | 13: 1310nm 15: 1550nm | 25:250um 90:900um | 05:0.5m 10:1.0m 15:1.5m | OO:None FP: FC/PC FA: FC/APC SP: SC/PC SA: SC/APC LP: LC/PC LA: LC/APC |